Surveillance cameras are frequently deployed in outdoor environments, exposing them to harsh and complex electromagnetic conditions. During thunderstorms, they are particularly susceptible to lightning-induced transients. The resultant overvoltage and overcurrent from lightning surges can compromise the system’s electromagnetic compatibility (EMC) and inflict catastrophic damage on internal components.
Furthermore, cameras installed in demanding industrial settings face significant electrostatic discharge (ESD) risks. Consequently, robust ESD protection for internal circuitry is not just beneficial but essential to ensure operational reliability and longevity.
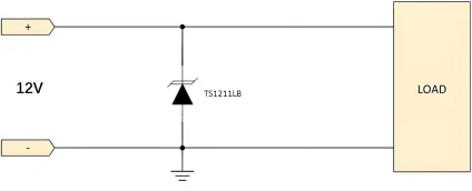
The power interface for these cameras is typically a 12-volt direct current (DC 12V) rail. To address the ESD protection requirements for this 12V DC power input, the TS1211LB from JY Electronics is an ideal solution. This device is a unidirectional, single-channel ESD protection diode housed in a compact DFN1006 package. It is fully compliant with the IEC 61000-4-2 (ESD) standard, withstanding contact and air discharge up to ±30kV.
Key electrical characteristics include a standoff voltage (VRWM) of 12V, a peak pulse current (IPP) of 5A (8/20µs), a clamping voltage (VC) of 19V at I_PP, a low leakage current (IR) of 0.1µA, and a junction capacitance (Cj) of 70pF.
Given that DC power supplies feature a defined polarity, a unidirectional protection device is the appropriate choice. The specifications of the TS1211LB are well-suited to provide robust ESD protection for the 12V DC power interface.

Circuit Diagram: ESD Protection Solution for the DC 12V Power Interface

JY Electronics serves a global customer base across the automotive, industrial & power, computing, consumer, and mobile & wearables industries. Our extensive product portfolio includes Schottky diodes, TVS and ESD protection devices, MOSFETs, LDOs, power ICs, battery protection & segment driver ICs, industrial & automotive-grade sensors, high-side switches (HSD), current sensors, and automotive switch input chips. We are committed to continuous innovation, delivering high-quality products that empower our customers to develop energy-efficient and sustainable solutions.
For samples or a quotation, please contact us at market@jy-electronics.com.cn.