The architecture of a surveillance camera’s Ethernet port can be segmented into three primary components from the external interface inward, as illustrated in Figure 1: (1) RJ45 connector, (2) Transformer, and (3) LAN PHY. The section between (1) and (2) is designated as the Primary side, while the section between (2) and (3) is referred to as the Secondary side. A prevailing trend in contemporary circuit design is to implement protection devices within the Secondary side to further attenuate surge energy that has passed through the transformer’s isolation, thereby substantially mitigating the risk of external anomalies impacting the downstream LAN PHY. This specific solution employs ESD protection devices on the Secondary side.

Figure 1: Ethernet Port Architecture Diagram
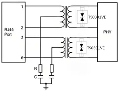
Figure 2 presents the circuit diagram for the protection scheme of a surveillance camera’s RJ45 interface, utilizing the TS0301VE ESD device from JY Electronics. Pin 2 serves as the TX- terminal, and pin 6 serves as the RX- terminal; both are conventionally connected directly to ground. At lower transmission rates, the differential mode between signal lines is minimal, allowing for a direct connection to the respective signal lines. The 3pF junction capacitance (Cj) of the TS0301VE is fully compliant with the requirements for 100BASE-T Ethernet transmission rates.

Figure 2: Protection Scheme Circuit Diagram for Surveillance Camera RJ45 Interface
……………………………………………………………………Company Profile……………………………………………………………………
JY Electronics serves a global customer base across the automotive, industrial & power, computing, consumer, and mobile & wearables industries. Our extensive product portfolio includes Schottky diodes, TVS and ESD protection devices, MOSFETs, LDOs, power ICs, battery protection & segment driver ICs, industrial & automotive-grade sensors, high-side switches (HSD), current sensors, and automotive switch input chips. We are committed to continuous innovation, delivering high-quality products that empower our customers to develop energy-efficient and sustainable solutions.
For samples or a quotation, please contact us at market@jy-electronics.com.cn.