Modern electronic products are characterized by increasing integration and a growing array of functions. To continuously enhance the functional reliability and service life of these products, it is often necessary to concurrently address Electromagnetic Interference (EMI), Electrostatic Discharge (ESD), and Surge (8/20µs) events.
USB, HDMI, and other high-speed wired interfaces frequently generate substantial common-mode noise due to factors such as signal skew, which then radiates into the surrounding environment. This can cause severe electromagnetic interference to nearby wireless modules, such as WiFi, Bluetooth, and 5G communication, leading to issues like antenna desense. Therefore, implementing common-mode noise filtering for USB and HDMI interfaces is highly necessary.
Electrostatic Discharge (ESD) is ubiquitous, often occurring at various interfaces of electronic products and causing circuit malfunctions or even permanent damage. Among these, high-speed interfaces like USB and HDMI, manufactured using advanced nanometer-scale integrated circuit processes, exhibit lower ESD tolerance. Consequently, they require additional ESD protection. Furthermore, features like hot-plugging can also induce surge events in the signal path, necessitating corresponding protection measures.

To address the aforementioned EMI, ESD, and Surge protection challenges, traditional solutions typically require at least one EMI component (e.g., a ferrite bead) and one TVS component. In the context of highly integrated modern electronics, this approach consumes significant PCB real estate and increases supplier management complexity.
JY Electronics has recently introduced its self-developed IPD filter, the TFC0501M, which integrates the aforementioned EMI, ESD, and Surge solutions into a single component. This product, protected by independent intellectual property rights, is designed to provide more comprehensive and efficient protection and filtering solutions for a wide range of electronic devices and is now available for mass production.
Advantages of the TFC0501M
01. Integrated Package Design
Utilizing an advanced wafer-level packaging process (CSP), the TFC0501M integrates a TVS with a common-mode filtering inductor. It features an ultra-small package size (CSP-5-1208: 1.2mm × 0.8mm × 0.6mm), reducing the number of components and PCB footprint. This facilitates the miniaturization and slimming of electronic products while significantly enhancing the product’s reliability.
This product is Pin-to-Pin compatible with Nexperia’s PCMFXHDMI2S and PCMFxUSB30 series, allowing for direct interchangeability.

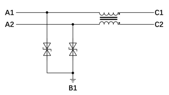
TFC0501M Circuit Diagram

TFC0501M Pinout Diagram
02. Excellent Protection Performance
The integrated TVS offers a rapid response to ESD events, clamping transient voltages to a safe level (5.5V@6.5A under 8/20µs waveform testing) and possesses high ESD immunity (capable of withstanding 15kV contact and 15kV air discharge as per IEC 61000-4-2 testing), effectively preventing damage to the circuit. This performance is comparable to that of competing products.

8/20µs Waveform Test Results
03. Efficient Common-Mode Filtering Function
Effectively suppresses common-mode interference signals (f=2GHz, SCC21=-17dB; f=3GHz, SCC21=-22dB; fr=2.3GHz), thereby reducing electromagnetic interference.

TFC0501M SCC21 Test Results
04. High Differential Bandwidth
Maintains high-quality differential signal transmission within a wide frequency range (for SDD21, f-3dB=7.6GHz; competitor’s f-3dB is only 6GHz). With a parasitic capacitance as low as 0.25pF (VR=0V, f=1MHz), its impact on high-speed signal transmission is minimal, helping to preserve signal integrity.

TFC0501M SDD21 Test Results
05. Precise Differential Impedance
TDR testing demonstrates that the TFC0501M exhibits excellent differential impedance characteristics (ZDIFF=90Ω), making it more suitable for USB circuit designs. In contrast, competing products are more compatible with HDMI circuit designs.

TFC0501M TDR Test Results
TFC0501M Application in USB 3.X Circuit Design

#Eye Diagram Test Results#

TFC0501M Application in HDMI Circuit Design

#Eye Diagram Test Results#

……………………………………………………………………Company Profile……………………………………………………………………
JY Electronics serves a global customer base across the automotive, industrial & power, computing, consumer, and mobile & wearables industries. Our extensive product portfolio includes Schottky diodes, TVS and ESD protection devices, MOSFETs, LDOs, power ICs, battery protection & segment driver ICs, industrial & automotive-grade sensors, high-side switches (HSD), current sensors, and automotive switch input chips. We are committed to continuous innovation, delivering high-quality products that empower our customers to develop energy-efficient and sustainable solutions.
For samples or a quotation, please contact us at market@jy-electronics.com.cn.